いらっしゃいませ。 __MEMBER_LASTNAME__ 様
__ITM_CNT__
商品検索
カテゴリから選ぶ
>
RC空用 (飛行機・ヘリ・ドローン)
>
100g未満
>
RCカー
>
充放電器
>
シミュレーター
>
ロボット関連
>
電動ガン関連
>
サングラス
>
書籍/写真集・雑誌・DVD
>
ボードゲーム
>
DIYミニチュアハウスキット/立体パズル
>
その他
>
メーカー
× 閉じる
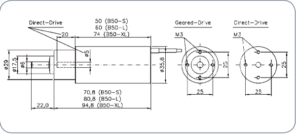
HACKER B50-16XL
商品番号:LB16024
4Kgクラスまでのヘリに適合。
Specification:
KV値
986rpm/v, 最高回転数60,000
対応セル数
6-10Li-Po,20-32Nicd
連続電流値
35A
最大電流値
55A
シャフト径
5mm
重量
340g
サイズ(直径X全長)
35.8X74.0mm
最適タイミング
0-5度
スイッチング周波数
8Khz
価格:38,000円(税込 41,800円)
商品説明
▼ 商品説明の続きを見る ▼
価格:
38,000円
(税込 41,800円)
[ポイント還元 418ポイント~]
注文
在庫
在庫切れ
お気に入りに追加済
販売期間:
カートへ
▲