商品番号:LB12371
| ●全備重量2.5kg程度のホットライナーに最適のパワーユニット。 ●パワーセットアップ例1 ペラ:16X16 リポ:4セル 電流:145A パワー:2030W 回転数:7250rpm ●パワーセットアップ例2 ペラ:15X13 リポ:3セル 電流:90A パワー:945W 回転数:6020rpm |
■ 商品仕様
| 製品名 | HACKER B50-8S+6.7:1 |
|---|---|
| 型番 | 10005500 |
| JANコード | 4250320205777 |
| メーカー | ハッカーモーター HACKER |
![]() ![]() |
| Specification: | |
| ギアユニット | プラネタ6.7:1 |
| セル数 | 3-4セル |
| ギアシャフト径 | 6.00mm |
| モーターシャフト径 | 5.00mm |
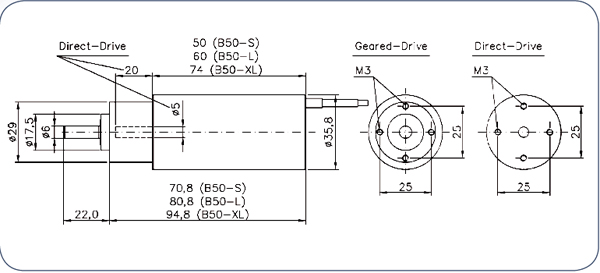
| 直 径 | 35.8mm |
| 長 さ | 50mm(ギヤ部を含めると70.8mm) |
| 重 量 | 256g |
| KV値 | 4613rpm/V |
| 推奨アンプ | 30A-125A ブラシレス |
| 推奨タイミング | 0° - 5° |
| ■関連商品(別売) | ||
|---|---|---|
| 商品名 | 必要個数 | |
| B50用スペシャルモーターマウント | 1個 | |
| HACKER B50シリーズ用ヒートシンク | 1個 | |
| ■スペアパーツ | ||
|---|---|---|
| 商品名 | ||
| HackerB50用スペアプラネタギア6.7:1 (ピニオンボア3.0mm) | ||
■ お客様の声
おすすめ度![]() ![]() ![]() ![]() ![]() |
シゲちゃん様 | 2014-10-20 |
| このギヤダウン式インナーローターモータは、F5J向けのノーズ径の小さな、たとえば、Pulsar 4.0 Pro を、折ペラ RFM 15×13S,RFM 15×15と、3S 2500mAhあたりの組み合わせでストレスなく燃費よく上昇させてくれます。 | ||
|
お店からのコメント
2014-10-20
コメントありがとうございます。今後ともよろしくお願いいたします。
|
||

























